11月20日,福建省发展和改革委员会发布《关于发布试点县分布式光伏接入电网承载力信息的通告》(下称《通告》)。
《通告》称,《国家能源局综合司关于印发开展分布式光伏接入电网承载力及提升措施评估试点工作的通知》(国能综通新能〔2023〕74号)将福建列为6个试点省份之一。按照国能综通新能〔2023〕74号文要求,福建省选取福清市、永泰县、仙游县、南安市、南靖县、永定区、尤溪县、光泽县、浦城县和屏南县10个县(市、区)作为试点县,组织国网福建省电力有限公司开展试点工作。

文件指出,福清等10个县(市、区)试点县选取的原则是分布式光伏渗透率高、接入容量大、电网承载力不足的县域,同时充分考虑县域可再生能源资源条件、发展情况、电网特点、地区负荷特性等因素,并综合区域经济现状以及屋顶分布式光伏建设特点、开发积极性等情况。通过评估,充分体现我省不同区域分布式光伏并网存在的不同“堵点”“难点”和“痛点”。
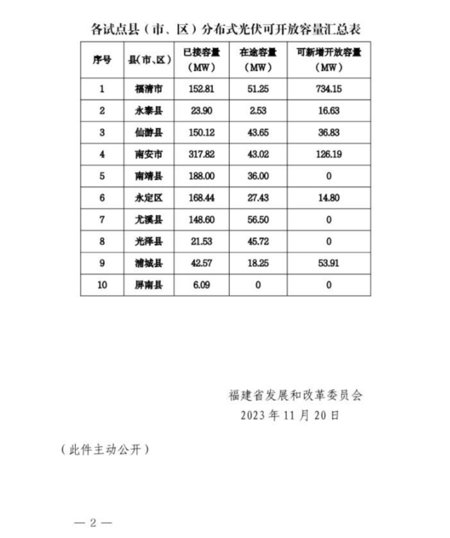
从数据来看,上述10个试点县(市、区)分布式光伏接入电网承载力评估结果为:已接入总容量1219.88MW,在途总容量324.35MW,可新增开放总容量982.51MW。其中,南靖等4个县的可新增开放容量为0,主要原因是当地的负荷较小,小水电等其它各类电源较多,分布式光伏已无法在配电网消纳,再向220kV主网传输将违反《分布式电源接入电网承载力评估导则》(DL/T2014-2019)要求。
近两年,福建省分布式光伏投资加速。根据数据,2023年1月至10月,全省分布式光伏新增投产规模达282万千瓦,保守预测全年新增投产规模可达300万千瓦以上,远超“十四五”头两年的合计增长量。
随着分布式光伏规模的快速提升,在部分县域内已出现调节能力不足、反送功率受阻、电压偏差过大等制约分布式光伏接入的问题。此次通过发布相关试点县域的阶段性可开放容量信息,合理引导企业、居民做好分布式光伏开发建设工作。
同时,推动电网企业通过对制约分布式光伏接入的相关问题开展专题分析研究,制定针对性解决措施,满足分布式光伏接入需求,为我国分布式光伏的可持续康健发展提供借鉴。
全文如下:


北京恒盛娱乐数字科技有限公司是一家专业的能源数字化方案提供商,简称恒盛娱乐,发展愿景为能源数字化先锋,企业使命为让能源创造更大价值,赋能企业低碳转型。目前,可提供能源数字化解决方案内容包括:双碳管控【碳中和行动计划监测指挥平台】、投资决策【恒盛娱乐能源经济评价云平台】、恒盛娱乐管理【恒盛娱乐能源集中监测管理系统】、恒盛娱乐运维【恒盛娱乐光伏清洁机器人系统】、零碳实践【零碳园区(工厂)恒盛娱乐能源管理系统】等产品和服务,以帮助政府、能源企业、园区工厂等相关单位实现对能源的智能化管控,不断提升能源经济效益,为碳中和路线图行动计划实践提供技术支撑,助力能源行业进入数字化时代,官网:www.gzjiansheng.com,欢迎访问。


